中載式旋轉台 
產品特色
1. 體採用高硬度鋁合金材質壓鑄而成。
2. 承載方式:頂載(標準品),側載(選購品)。
3. 最大載重20Kg。
4. 旋轉速度:水平0.02°/s~20°/s連續變速;垂直0.02°/s~10°/s連續變速。
5. 旋轉角度:水平360°連續旋轉;垂直-60°~20°。
6. 適合安裝環境場所:室內/戶外。
7. 機械密合度高,防護等級IP66。
8. 控制傳輸方式:RS485(標準品),RJ45網路(選購品)。
9. 選購功能:預設位、自動巡航、自動歸位、自動掃描、通電自檢。
產品規格
型號 / 說明 |
JB-NTA4A4 |
機械材質 |
高硬度鋁合金 |
承載方式 |
上面頂載(標準品);側載(選購品) |
載重量 |
20Kg |
旋轉速度 |
水平0.02°/s~20°/s連續變速;垂直0.02°/s~10°/s連續變速 |
旋轉角度 |
水平360°連續旋轉;垂直-60°~20° |
功能(另外選購) |
預設點:200位
自動巡航:2條,每條可設置40個巡航點
自動歸位:可設置1~60分鐘自動歸位時間
自動掃描:1條
通電自檢 |
控制傳輸方式 |
RS485(標準品)
RJ45網路(另外選購) |
通訊協議 |
PELCO-D |
通訊速率 |
9600bps |
工作溫度 |
-25℃~+55℃ |
儲存溫度 |
-40℃~+65℃ |
工作電壓 |
24VAC |
消耗功率 |
≤60W動作時;≤5W靜態時 |
防護等級 |
IP66 |
相對濕度 |
90%±3%非凝結 |
尺寸 |
272mm*170mm*300mm |
重量 |
11Kg |
▲型錄規格及外觀與實機不符,以實機為準。本公司保留修改此規格及外觀之權利更改後本公司不另行通知。
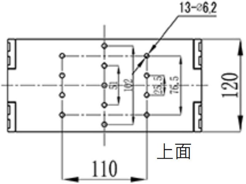
產品尺寸(mm) [inch]