紅外線投射燈 
產品特色
1. 可根據現場環境光線(CDS)自動開啟或關閉紅外線燈。
2. 外殼材質:304不鏽鋼。
3. 適合室內、戶外安裝使用及惡劣環境,如海邊、化工/化學廠、石化廠場所。
4. 提高夜視功能。
5. 採用8mm強化玻璃,安全、透光度極佳。
6. 防護等級:IP66防水防塵。
7. 採用高效能陣列式紅外線LED燈,紅外線投射距離30~50米。
產品規格
型號 / 說明 |
JB-SLA2S |
紅外線燈數 |
6顆高效能陣列式LED |
紅外線投射距離 |
30~50米 |
紅外線波長 |
840nm~860nm |
紅外線開/關 |
自動(CDS) |
材質 |
304不鏽鋼 |
工作電壓/電流 |
DC12V/400mA |
消耗功率 |
6.4W |
作業溫度/濕度 |
-25~+55°C/ U95% RH(+25°C) |
出線口 |
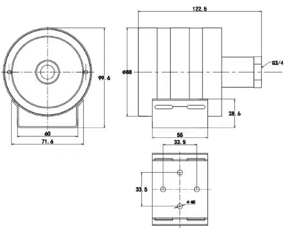
G-3/4" |
尺寸 |
122.5mm(長)*88mm(寬)*99.6mm(高) |
▲型錄規格及外觀與實機不符,以實機為準。本公司保留修改此規格及外觀之權利更改後本公司不另行通知。
產品尺寸(mm) [inch]
